Welcome to the American Hydrotech Resource Center
HS-13
Slab Edge Flashing for Balcony, Terrace, Overhang, etc.
G-9B
Forma Wall Planter (On Curb Installation)
HS-13
Slab Edge Flashing for Balcony, Terrace, Overhang, etc.
PDS - Hydrotech® InstaGreen Tile
SDS - Hydrotech® InstaGreen® Cutting
G-10A
Hydrotech® Garden Roof® with Sikalastic
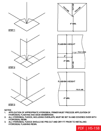
HS-14
Typical Thru-Wall Scupper Flashing
PDS - Hydrotech® GardenHatch Inspection Chamber
G-10A
Hydrotech® Garden Roof® with Sikalastic
HS-14
Typical Thru-Wall Scupper Flashing
PDS - Hydrotech® GardenEdge Metal Edge Restraint
G-10B
Hydrotech® Garden Roof® Tray with Sika PVC